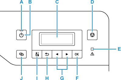
Kontrolpanel

- A: TIL (ON)-lampen
- Lyser efter at have blinket, når strømmen tændes.
- B: Knappen TIL (ON)
-
Tænder og slukker for strømmen.
- C: LCD (Liquid Crystal Display)
- Viser meddelelser, menupunkter og driftsstatus.
- D: Stop-knap
- Annullerer handlingen, når udskrivningen er i gang, eller når der vælges et menupunkt.
- E: Alarm-indikator
- Tændes eller blinker, når der opstår en fejl.
- F: OK-knap
- Afslutter valget af elementer. Bruges også til at løse fejl.
- G: Knapperne
og 
- Bruges til at vælge et indstillingselement. Disse knapper bruges også til at indtaste tegn.
- H: Tilbage (Back)-knap
- LCD-displayet vender tilbage til forrige skærmbillede.
- I: Knappen Opsætning (Setup)
- Viser skærmbilledet Opsætningsmenu (Setup menu). Via denne menu kan du udføre vedligeholdelse af printeren og ændre printerindstillinger. Bruges også til at vælge inputtilstand.
- J: Trådløs forbindelse (Wireless connect)-knap
- Hold denne knap nede for at indstille oplysninger om den trådløse router på printeren direkte fra en smartphone eller en lignende enhed (uden at gøre skulle gøre noget på routeren).

